Rozlúčte sa s káblami a šnúrami a zažite slobodu mobility a všestrannosti s najnovšou magnetickou vŕtačkou napájanou batériou. Stroj je bezdrôtový, takže sa nemusíte starať o káble a môžete pracovať efektívnejšie a bezpečnejšie aj na ťažko dostupných miestach.
Táto magnetická vŕtačka je napájaná vysokokapacitnou dobíjateľnou batériou a poskytuje bezkonkurenčné pohodlie. Vďaka kompatibilite magnetického vŕtača s platformou Makita môžete tú istú batériu používať v rôznych bezdrôtových nástrojoch. To vám nielen ušetrí peniaze, ale poskytne vám aj výhodu práce na projektoch bez prerušenia.
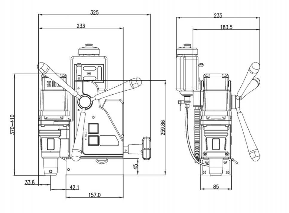
Magnetická vŕtačka ľahko vŕta otvory do širokej škály materiálov, vrátane ocele a iných kovov. Výkonný motor a pokročilá magnetická technológia poskytujú pôsobivý výkon, presnosť, rýchlosť a precíznosť, vďaka čomu je ideálna pre rôzne aplikácie v oblasti spracovania kovov. S maximálnym priemerom vŕtania 36 mm je vhodná na všetky bežné úlohy vŕtania do kovu.
- Batéria a nabíjačka nie sú súčasťou tohto stroja.
- Stroj je k dispozícii aj s 2x 5Ah alebo 2x 9Ah batériami a nabíjačkou (pre viac informácií nás kontaktujte).
Neobmedzená mobilita. Stroj je možné používať kdekoľvek, bez ohľadu na pripojenie k elektrickej sieti.
Kompaktný dizajn. Vďaka sofistikovanému dizajnu sa vŕtačka ľahko zmestí do batohu alebo väčšej krabice na náradie.
Nízka hmotnosť. Ideálna pre ťažko dostupné miesta.
Výkonná. Batéria a platforma sú navrhnuté tak, aby poskytovali maximálny výkon a prevádzkovú dobu.
Permanentný magnet. Bezpečnejšie použitie, dlhšia životnosť, energetická účinnosť a vhodnosť pre tenké materiály.
Bezkefový motor. Menšie trenie, vyššia účinnosť a menej prestojov.
Batériová platforma Makita. Maximálna životnosť a výkon batérie. Kompatibilná s mnohými typmi akumulátorového náradia.
V cene je zahrnuté:
- Magnetická vŕtačka EBM 36
- Prenosný kufrík
- Bezpečnostný upevňovací popruh
- Automatický chladiaci systém
- Prevádzkové nástroje
- Návod na obsluhu

